-
-
-
Tổng tiền thanh toán:
-
Biến tần Delixi H500G15P18R5T4B - Biến tần cao cấp, Chính hãng, hiệu suất cao
H500G15P18R5T4B là model thuộc dòng Biến tần Delixi H500 là dòng inverter vector dòng điện hiệu suất cao đa năng, áp dụng thiết kế công nghiệp của Delixi Electric và đã đạt giải thưởng Thiết kế Sản phẩm IF của Đức năm 2025.
Delixi H500 nổi bật với các ưu điểm: linh hoạt – dễ sử dụng – cấu hình phong phú – hiệu suất vượt trội – khả năng mở rộng mạnh mẽ – vận hành an toàn, ổn định. Sản phẩm được trang bị giao thức truyền thông độc quyền DHI-LINK, cho phép kết nối nhanh chóng và chuyển đổi linh hoạt từ một đến nhiều thiết bị.

Ưu điểm nổi bật của Delixi H500G15P18R5T4B
1. Điều khiển thông minh
- Kiến trúc CPU + co-CPU + co-CPLD, hỗ trợ lấy mẫu dòng Sigma Delta.
- Tốc độ xử lý nhanh, vòng điều khiển lên tới 250KHz.
- Hỗ trợ nhiều loại encoder, kiểm soát vị trí – tốc độ – mô-men xoắn.
- Chuyển đổi linh hoạt từ điều khiển một máy → nhiều máy.
- Các chế độ điều khiển:
- V/F động cơ không đồng bộ
- Vector mở vòng (SVC) động cơ không đồng bộ
- Vector mở vòng (SVC) động cơ đồng bộ
2. Thiết kế nhỏ gọn – dễ sử dụng
- Thiết kế gọn nhẹ, hiện đại, quạt làm mát có thể tháo rời.
- Hỗ trợ lắp đặt treo tường hoặc bán âm tường.
- Tích hợp tấm bảo vệ dây dạng lược giúp đi dây thuận tiện.
- Hỗ trợ nhiều cách tải/thay đổi tham số hàng loạt, dễ dàng kết nối phần mềm qua giao thức DHI-LINK.
3. Cấu hình phong phú
- 3 loại bàn phím cục bộ và 3 loại bàn phím ngoài, hỗ trợ hiển thị kép.
- Hỗ trợ nhiều thẻ mở rộng và bộ mã hóa.
- Giao tiếp kép, encoder kép, điều khiển vòng kín toàn diện.
- Mẫu ≤15kW có thể hoạt động không ảnh hưởng tới lưới điện.
- Hỗ trợ khoảng cách bàn phím điều khiển lên đến 200 mét.
4. An toàn & tin cậy
- Nâng cấp toàn diện về thiết kế phần cứng.
- Tối ưu hóa thiết kế nhiệt, nâng cao hiệu quả tản nhiệt.
- Cải tiến bảo vệ EMC cho mạch điều khiển, tăng khả năng chống nhiễu.
- Tích hợp nhiều lớp bảo vệ: bảo vệ phần cứng, PCB, chống sét.
- Đảm bảo hệ thống vận hành ổn định, bền bỉ trong môi trường công nghiệp khắc nghiệt.
Với những ưu điểm vượt trội về tính năng điều khiển – khả năng mở rộng – độ an toàn – sự linh hoạt, biến tần Delixi H500 là lựa chọn lý tưởng cho các doanh nghiệp cần giải pháp tự động hóa hiện đại, ổn định, hiệu suất cao.
Model các mã biến tần Delixi H500 và các thông số cần chú ý
| Loại | Cấu trúc hình thức | Loại tải nặng | Loại tải nhẹ | Đơn vị phanh | Cuộn kháng DC | ||||||||
|---|---|---|---|---|---|---|---|---|---|---|---|---|---|
| Công suất (kVA) | Dòng vào (A) | Dòng ra (A) | Động cơ phù hợp (kW) | Công suất (kVA) | Dòng vào (A) | Dòng ra (A) | Động cơ phù hợp (kW) | ||||||
| SIZE1 | 2 | 2.2 | 1.6 | 0.4 | 2.8 | 4.4 | 3 | 0.75 | Cấu hình tiêu chuẩn | / | |||
| H500G0R75P1R1T4B | 2.8 | 4.4 | 3 | 0.75 | 4.1 | 5 | 3.5 | 1.1 | |||||
| H500G1R1P1R5T4B | 4.1 | 5 | 3.5 | 1.1 | 5 | 6 | 4.5 | 1.5 | |||||
| H500G1R5P2R2T4B | 5 | 6 | 4.5 | 1.5 | 6.7 | 6.8 | 6 | 2.2 | |||||
| H500G2R2P3R0T4B | 6.7 | 6.8 | 6 | 2.2 | 9.5 | 9 | 7.5 | 3 | |||||
| H500G3R0P4R0T4B | 9.5 | 9 | 7.5 | 3 | 12 | 11 | 9.5 | 4 | |||||
| H500G4R0P5R5T4B | SIZE2 | 12 | 11 | 9.5 | 4 | 17.5 | 15.5 | 13 | 5.5 | ||||
| H500G5R5P7R5T4B | 17.5 | 15.5 | 13 | 5.5 | 22.8 | 20.5 | 17 | 7.5 | |||||
| H500G7R5P011T4B | SIZE3 | 22.8 | 20.5 | 17 | 7.5 | 33.4 | 26 | 25 | 11 | ||||
| H500G11P15T4B | 33.4 | 26 | 25 | 11 | 42.8 | 35 | 32 | 15 | |||||
| H500G15P18R5T4B | SIZE4 | 42.8 | 35 | 32 | 15 | 33 | 38.5 | 37 | 18 | ||||
| H500G18R5P22T4(B)L | SIZE5 | 33 | 38.5 | 37 | 18.5 | 39 | 46.5 | 45 | 22 | Tùy chọn | Cấu hình tiêu chuẩn | ||
| H500G22P30T4(B)L | 39 | 46.5 | 45 | 22 | 52 | 60 | 60 | 30 | |||||
| H500G30P37T4(B)L | SIZE6 | 52 | 63 | 60 | 30 | 63 | 76 | 75 | 37 | ||||
| H500G37P45T4(B)L | 63 | 76 | 75 | 37 | 79 | 92 | 90 | 45 |
Chú thích: Các dấu ngoặc đơn trong mã sản phẩm biểu thị phụ kiện tùy chọn.

Hình ảnh thực tế của biến tần Delixi H500
Ứng dụng cửa biến tần Delixi H500
Sản phẩm đáp ứng hơn 95% ứng dụng trong ngành công nghiệp, bao gồm:
-
Dầu khí
-
Hóa chất
-
Khai thác mỏ
-
Thiết bị nâng hạ
-
Máy công cụ
-
Chế biến gỗ
-
Dệt may
-
Đóng gói
-
Hệ thống HVAC (điều hòa không khí & thông gió)
-
Thực phẩm
-
Và nhiều ngành khác.
Ứng dụng chính: điều khiển và điều chỉnh tốc độ, mô-men xoắn của động cơ không đồng bộ ba pha; phù hợp với các hệ thống tự động hóa trong dầu khí, hóa chất, khai khoáng, nâng hạ, máy công cụ, cáp điện, thủy lực, chế biến gỗ, dệt may, bao bì…
Thông số kỹ thuật biến tần Delixi H500G15P18R5T4B
1. Hiệu suất điều khiển (Control performance)
Loại động cơ hỗ trợ
- Động cơ không đồng bộ (IM)
- Động cơ đồng bộ nam châm vĩnh cửu (PMSM)
Phương thức điều khiển
- Điều khiển vector vòng hở (SVC)
- Điều khiển vector vòng kín (FVC)
- Điều khiển V/F
Điều khiển V/F (Asynchronous machine VF)
- Chức năng hỗ trợ: chống quá áp, chống quá dòng, chống sụt áp, chống dao động, tăng mô-men xoắn, bù trượt, lựa chọn nhiều đường cong V/F, tách biệt V/F, hãm DC, PWM ngẫu nhiên, giảm tốc nhanh khi quá từ, điều khiển sụt áp.
Điều khiển vector vòng kín (Asynchronous machine FVC)
- Chức năng hỗ trợ: điều khiển Master-Slave, chống quá áp, điều khiển mô-men xoắn, dừng khẩn cấp tức thì (có/không), tự học tham số,...
- Encoder hỗ trợ: encoder truyền thông, encoder ABZ (differential, collector, push-pull), encoder quay.
- Mô-men khởi động: 0Hz/180%
- Đáp ứng mô-men xoắn: < 2ms
- Độ chính xác ổn định tốc độ: 0.02%
- Độ dao động tốc độ: 0.05%
- Độ chính xác điều khiển mô-men: ±2%
- Khử từ yếu: gấp 5 lần
Điều khiển vector vòng hở (Asynchronous machine SVC)
- Chức năng hỗ trợ: điều khiển Master-Slave, chống quá áp, hãm DC, điều khiển mô-men, dừng khẩn cấp, tự học tham số, bám tốc độ,...
- Phạm vi điều chỉnh tốc độ: 1:250
- Mô-men khởi động: 0.25Hz/150%
- Đáp ứng mô-men xoắn: < 2ms
- Độ chính xác điều khiển mô-men: ±3% trên 5Hz
- Độ ổn định tốc độ: 0.05%
- Khử từ yếu: gấp 5 lần
Điều khiển động cơ đồng bộ (Synchronous machine FVC/SVC)
- Tương tự như động cơ không đồng bộ nhưng phạm vi điều chỉnh tốc độ SVC: 1:100, mô-men khởi động SVC: 0.5Hz/150%.
2. Chức năng cơ bản (Basic functions)
- Kênh lệnh: điều khiển chạy/dừng qua bảng điều khiển, DI/DO, cổng truyền thông nối tiếp, hoặc module mở rộng.
- Độ phân giải tần số ngõ vào: 0.01Hz.
- Độ chính xác tần số đặt: ±0.1% tần số tối đa.
- Kênh đặt tốc độ/mô-men: hỗ trợ đường cong tăng/giảm tốc độ, S-curve, PID ngoài, tín hiệu AI (0–10V, 0–20mA), tín hiệu xung, nhiều đoạn tốc độ, lập trình tự do.
- Chế độ truyền thông: hỗ trợ Modbus-RTU, Modbus-TCP, Profibus-DP, CANopen, Profinet, EtherCAT, 4G-LTE.
- Giới hạn ngõ ra: giới hạn mô-men xoắn, công suất, dòng điện, tần số.
- Điều khiển PID: đa dạng, hỗ trợ chế độ ngủ, dò nguồn phản hồi, chống mất tín hiệu, cấu hình linh hoạt.
- Bảo vệ: bảo vệ quá áp, quá dòng, quá tải, quá nhiệt động cơ (PT100, PT1000, KTY 84 130), bảo vệ mất tải, tự khởi động lại sau lỗi.
3. Chức năng cá nhân hóa (Personalized functions)
- Lập trình tự do: hỗ trợ logic AND, NOR, XOR, tính toán số học, xử lý tín hiệu, lọc, hẹn giờ, đường cong nhiều điểm.
- Tự phát hiện (Self-detection): kiểm tra động cơ & biến tần, phát hiện ngắn mạch, lệch pha, lỗi encoder, lỗi IGBT.
- Phần mềm giám sát: Dlx.DriveStudio, hỗ trợ nạp/xuất tham số, giám sát dao động bằng oscilloscope, chẩn đoán lỗi.
4. Chức năng vận hành (Running)
- Hướng dẫn chạy: qua bảng điều khiển, DI/DO, truyền thông nối tiếp, xung.
- Hướng dẫn tần số: 14 loại (số, analog, AI, xung, truyền thông).
- Tín hiệu phụ: 14 hướng dẫn tần số phụ, dùng cho điều chỉnh tinh.
- Ngõ vào: 4 DI, 2 HDI, 2 AI (0–10V, 0–20mA, hỗ trợ đầu vào cảm biến nhiệt độ).
- Ngõ ra: 2 AO (0–20mA, 0–10V), 2 relay, 1 HDO (xung tốc độ cao hoặc DO thường).
5. Hiển thị và vận hành (Display and keyboard operation)
- Bảng LED: hiển thị/trạng thái biến tần, hướng quay, lỗi, STO.
- Màn hình LCD ngoài: tùy chọn, hỗ trợ nhiều ngôn ngữ (Anh/Trung/Nga).
- Sao chép tham số: copy nhanh qua LCD.
- Khóa phím chức năng: tránh thao tác sai.
6. Môi trường làm việc (Environment)
- Ứng dụng: trong nhà, tránh nắng trực tiếp, bụi, khí ăn mòn, hơi nước, dầu, muối,...
- Độ cao: không giảm công suất dưới 1000m; trên 1000m giảm 1% mỗi 100m; tối đa 3000m.
- Nhiệt độ môi trường: -10°C ~ +50°C (giảm công suất khi trên 40°C).
- Độ ẩm: <95% RH, không ngưng tụ.
- Rung: <5.9m/s² (0.6g).
- Nhiệt độ lưu kho: -20°C ~ +65°C.
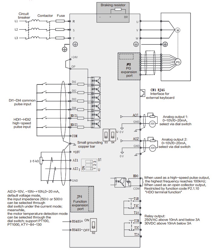
Kích thước ngoài và sơ đồ đấu nối Delixi H500

Kích thước vỏ ngoài

Sơ đồ đấu nối
Cấu tạo của màn hình Delixi H500

| STT | Tên bộ phận | Mô tả |
|---|---|---|
| 1 | Đèn trạng thái | Hiển thị trạng thái quay thuận/ngược, điều khiển tại chỗ hoặc từ xa, chạy bước (jogging), tinh chỉnh (tuning), báo động và lỗi, đang chạy hoặc dừng. |
| 2 | Vùng hiển thị phụ | Hiển thị thông tin nhắc nhở như kiểm tra bàn phím, tinh chỉnh; giám sát tổng thể lỗi hiện tại và hệ thống (số trạm, nguồn điện, trạng thái STO). |
| 3 | Vùng hiển thị chính | Hiển thị các tham số mã chức năng. |
| 4 | Vùng hiển thị đơn vị | Hiển thị đơn vị tương ứng của mã chức năng. |
| 5 | Trạng thái hoạt động vùng phụ | Có thể vận hành khi đèn sáng. |
| 6 | Trạng thái hoạt động vùng chính | Có thể vận hành khi đèn sáng. |
| 7 | Vùng hiển thị menu | Hiển thị chế độ cơ bản, chế độ người dùng và chế độ kiểm tra. |
| 8 | Phím MODE | Chuyển đổi chế độ hiển thị, hủy bỏ chỉnh sửa dữ liệu. |
| 9 | Núm xoay (Keyboard knob) | Điều chỉnh tần số, sửa đổi dữ liệu, thay đổi mã chức năng. |
| 10 | Phím JOG | Phím đa chức năng (được điều khiển bởi mã chức năng P0.1.35). |
| 11 | Phím RUN | Khởi động thiết bị trong chế độ điều khiển tại chỗ. |
| 12 | Phím UP | Tăng tần số, tăng giá trị dữ liệu, tăng mã chức năng. |
| 13 | Phím ENTER | Đọc và lưu các tham số đã cài đặt trong quá trình thiết lập. |
| 14 | Phím LOC | Phím đa chức năng (được điều khiển bởi mã chức năng P0.1.35). |
| 15 | Phím STOP | Dừng thiết bị khi đang chạy. Xóa lỗi khi thiết bị gặp sự cố. |
| 16 | Phím dịch phải (Right shift) | Chuyển dữ liệu hiển thị trong quá trình giám sát; dịch vị trí chỉnh sửa dữ liệu khi chọn và thiết lập tham số. |
Đơn vị phân phối, đại lý ủy quyền bán biến tần Delixi H500 Nihaco Automation cam kết cung cấp:
- Biến tần Delixi chính hãng
- Giải pháp lắp đặt – vận hành – bảo trì trọn gói
- Hỗ trợ kỹ thuật tận tâm – báo giá nhanh – giao hàng toàn quốc
📞 Hotline: 0906 33 3515