-
-
-
Tổng tiền thanh toán:
-
Biến tần Delixi H300G1R1P1R5T4B - Biến tần hiệu suất cao, giải pháp tối ưu cho động cơ
H300G1R5P2R2T4B là model thuộc dòng Biến tần Delixi H300. Biến tần Delixi H300 Series là dòng biến tần vector đa năng, được thiết kế với hiệu suất cao, độ ổn định vượt trội và khả năng tương thích đa dạng, đáp ứng nhu cầu từ các thiết bị đơn lẻ đến cả hệ thống sản xuất tự động.
Ưu điểm nổi bật của Biến tần Delixi H300G1R1P1R5T4B
-
Điều khiển nhiều động cơ: Lưu trữ 4 bộ thông số, hỗ trợ điều khiển động cơ đồng bộ & không đồng bộ, cho phép chuyển đổi nhóm động cơ bằng tín hiệu cổng.
-
Chuyển đổi công nghiệp / tần số:
-
Khởi động: Sau khi biến tần tăng tốc, có thể chuyển sang chế độ lưới điện.
-
Dừng: Theo dõi tốc độ và giảm tốc êm ái.
-
Các model ≤15kW hỗ trợ hòa lưới không giật.
-
Tùy chỉnh cho model >15kW.
-
👉 Với những ưu điểm trên, biến tần Delixi H300 không chỉ đáp ứng các yêu cầu khắt khe của hệ thống sản xuất hiện đại mà còn tối ưu hiệu suất, tăng tuổi thọ thiết bị và giảm chi phí vận hành.
-
Điều khiển đa dạng loại động cơ: Tương thích với cả động cơ không đồng bộ (IM) và động cơ đồng bộ nam châm vĩnh cửu (PMSM).
-
Dải điện áp hoạt động rộng: 380–480VAC, chịu được dao động từ 323–528VAC, đảm bảo vận hành ổn định trong môi trường lưới điện phức tạp.
-
Giải pháp EMC hiệu quả: Thiết kế nối đất linh hoạt, giảm thiểu nhiễu và đảm bảo tín hiệu ổn định.
-
Giám sát thông minh bằng phần mềm: Hỗ trợ cài đặt, theo dõi, chẩn đoán lỗi qua phần mềm Dix.DriveStudio, tích hợp dao động ký trực tuyến.
-
Chức năng bảo vệ toàn diện: Quá áp, thấp áp, quá dòng, quá nhiệt, ngắn mạch, mất tải, tự reset và khởi động lại.
-
Khả năng mở rộng mạnh mẽ: Tích hợp Modbus RTU, hỗ trợ nhiều giao thức hiện đại như CANopen, EtherCAT, PROFIBUS-DP, PROFINET, Modbus TCP...
Thông số kỹ thuật chính của Biến tần Delixi H300G1R1P1R5T4B
-
Chế độ điều khiển: Vector vòng hở (SVC), V/F control.
-
Hiệu suất với động cơ không đồng bộ (IM):
-
Phạm vi điều chỉnh tốc độ: 1:250
-
Mô-men khởi động: 0.25Hz/150%
-
Sai số điều khiển mô-men: ±3% trên 5Hz
-
Độ chính xác tốc độ: 0.05%
-
Đáp ứng mô-men: < 2ms
-
-
Hiệu suất với động cơ đồng bộ PMSM:
-
Phạm vi điều chỉnh tốc độ: 1:100
-
Mô-men khởi động: 0.5Hz/150%
-
Đáp ứng mô-men: < 2ms
-
Sai số điều khiển mô-men: ±3%
-
Model các mã biến tần Delixi H300 và các thông số cần chú ý
| Model | Kết cấu | Công suất (kVA) | Dòng vào (A) | Dòng ra (A) | Công suất động cơ (kW) | Công suất (kVA) | Dòng vào (A) | Dòng ra (A) | Công suất động cơ (kW) | Bộ hãm (Brake Unit) |
|---|---|---|---|---|---|---|---|---|---|---|
| Tải nặng (Heavy load type) | Tải nhẹ (Light load type) | |||||||||
| SIZE1 | 2.2 | 2.2 | 1.6 | 0.4 | 2.8 | 4.4 | 3.0 | 0.75 | ✔ | |
| SIZE1 | 2.8 | 4.4 | 3.0 | 0.75 | 4.1 | 5.2 | 3.5 | 1.1 | ✔ | |
| SIZE1 | 4 | 5.6 | 4.5 | 1.1 | 5 | 6.8 | 5 | 1.5 | ✔ | |
| SIZE1 | 5 | 6.5 | 5.5 | 1.5 | 6.7 | 8 | 6.5 | 2.2 | ✔ | |
| SIZE1 | 6.7 | 6.8 | 6.5 | 2.2 | 9.5 | 9 | 7.5 | 3.0 | ✔ | |
| SIZE1 | 9.5 | 9 | 7.5 | 3.0 | 12 | 12 | 9.5 | 4.0 | ✔ | |
| SIZE2 | 12 | 11 | 9.5 | 4 | 17.5 | 15.5 | 13 | 5.5 | ✔ | |
| SIZE2 | 17.5 | 15.5 | 13 | 5.5 | 25 | 21 | 17 | 7.5 | ✔ | |
| SIZE2 | 22.8 | 20.5 | 17 | 7.5 | 33.4 | 26 | 21 | 11 | ✔ | |
| SIZE2 | 33.4 | 26 | 21 | 11 | 38 | 31 | 25 | 15 | ✔ | |
|
H300G15P18T4B |
SIZE4 | 42.8 | 35 | 28 | 15 | 48 | 38.5 | 32 | 18.5 | ✔ |
| SIZE4 | 48 | 38.5 | 32 | 18.5 | 52 | 45 | 37 | 22 | ✔ | |
| SIZE4 | 52 | 45 | 37 | 22 | 63 | 60 | 45 | 30 | ✔ | |
| SIZE5 | 63 | 60 | 45 | 30 | 76 | 76 | 60 | 37 | ✔ (tuỳ chọn) | |
| SIZE5 | 76 | 76 | 60 | 37 | 92 | 92 | 90 | 45 | ✔ ( |
Chú thích: Các dấu ngoặc đơn trong mã sản phẩm biểu thị phụ kiện tùy chọn.
Ứng dụng cửa biến tần Delixi H300
Biến tần Delixi H300 đã và đang được ứng dụng rộng rãi trong nhiều lĩnh vực:
-
Ngành dệt may: Điều khiển chính xác máy dệt, máy nhuộm, giảm hao hụt nguyên liệu.
-
Ngành nhựa & bao bì: Tối ưu máy ép nhựa, máy thổi màng, máy in, đảm bảo chất lượng thành phẩm.
-
Khai thác mỏ & luyện kim: Điều khiển băng tải, quạt gió hầm lò, giảm sốc cơ khí.
-
Hệ thống HVAC: Tối ưu lưu lượng quạt, bơm nước lạnh, tiết kiệm 30–50% điện năng.
-
Máy công cụ – CNC: Nâng cao độ chính xác gia công, vận hành ổn định.
-
Hệ thống bơm, quạt, máy nén khí: Tiết kiệm năng lượng, tăng tuổi thọ thiết bị.
-
Dây chuyền sản xuất tự động: Đồng bộ nhiều động cơ, nâng cao năng suất.
Với sự kết hợp giữa hiệu suất mạnh mẽ – khả năng giám sát thông minh – tính năng bảo vệ toàn diện, biến tần Delixi H300 Series chính là lựa chọn tối ưu cho các nhà máy, doanh nghiệp đang hướng tới sản xuất hiện đại, ổn định và tiết kiệm năng lượng.
Kích thước ngoài và sơ đồ đấu nối Delixi H300

Kích thước vỏ ngoài Delixi H300

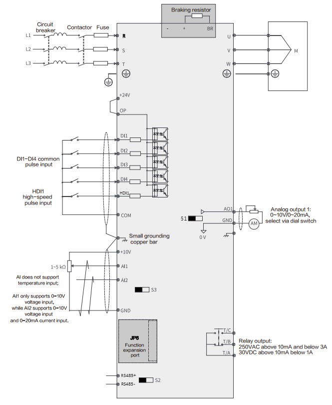
Sơ đồ đấu nối biến tần Delixi H300G1R1P1R5T4B
Cấu tạo của màn hình Delixi H300

|
STT |
Tên bộ phận |
Mô tả |
|---|---|---|
|
1 |
Đèn trạng thái |
Hiển thị trạng thái quay thuận/ngược, chế độ cục bộ và từ xa, chạy bước (jog), điều chỉnh, báo động và lỗi, chạy và dừng |
|
2 |
Vùng hiển thị chính |
Hiển thị các tham số mã chức năng |
|
3 |
Vùng hiển thị đơn vị |
Hiển thị đơn vị tương ứng của mã chức năng |
|
4 |
Vùng hiển thị menu |
Hiển thị chế độ cơ bản, chế độ người dùng và chế độ kiểm tra |
|
5 |
Phím MODE |
Chuyển chế độ hiển thị, hủy bỏ việc sửa đổi dữ liệu |
|
6 |
Núm xoay |
Điều chỉnh tần số, sửa đổi dữ liệu, sửa đổi mã chức năng |
|
7 |
Phím JOG |
Phím đa chức năng (được điều khiển bởi mã chức năng P0.1.35) |
|
8 |
Phím RUN |
Khởi động thiết bị trong chế độ điều khiển cục bộ |
|
9 |
Phím UP |
Tăng tần số, tăng dữ liệu, tăng mã chức năng |
|
10 |
Phím ENTER |
Đọc và lưu trữ các tham số đã đặt trong khi cài đặt |
|
11 |
Phím LOC |
Phím đa chức năng (được điều khiển bởi mã chức năng P0.1.35) |
|
12 |
Phím STOP |
Dừng thiết bị khi đang chạy. Xóa lỗi khi thiết bị gặp sự cố |
|
13 |
Phím dịch phải |
Chuyển dữ liệu hiển thị trong khi giám sát; dịch chuyển vị trí sửa đổi dữ liệu khi chọn và đặt tham số |
Đơn vị phân phối, đại lý ủy quyền bán biến tần Delixi H300 Nihaco Automation cam kết cung cấp:
- Biến tần Delixi chính hãng
- Giải pháp lắp đặt – vận hành – bảo trì trọn gói
- Hỗ trợ kỹ thuật tận tâm – báo giá nhanh – giao hàng toàn quốc
Nihaco Automation đại lý phân phối biến tần Delixi chính hãng khắp các tỉnh thành Miền Bắc - Miền Trung giá tốt nhất: Hải Phòng, Hà Nội, Bắc Ninh, Bắc Giang, Việt Trì, Phú Thọ, Hải Dương, Quảng Ninh, Thái Bình, Ninh Bình, Nam Định, Hà Nam, Thanh Hóa, Nghệ An... bảo hành trọn gói 24 tháng.
Với phương châm " Giá trị tạo niềm tin " Chúng tôi sẽ mang đến Quý khách sản phẩm và dịch vụ tốt nhất, tham khảo thêm các sản phẩm Delixi chất lượng khác "tại đây"
📞 Hotline: 0906 33 3515