-
-
-
Tổng tiền thanh toán:
-
Biến Tần Cho Máy Nén Khí 2026
Ngày 13/03/2026
Bình luận (0)
Biến Tần Cho Máy Nén Khí: Nguyên Lý Hoạt Động, Lợi Ích Và Cách Lựa Chọn Hiệu Quả
Máy nén khí là gì?
Máy nén khí là thiết bị tạo ra khí nén áp suất cao để cung cấp năng lượng cho nhiều hệ thống trong nhà máy.
Khí nén được sử dụng phổ biến trong:
-
dây chuyền sản xuất tự động
-
máy đóng gói
-
hệ thống điều khiển khí nén
-
ngành dệt may
-
ngành thực phẩm
-
ngành bao bì
-
ngành cơ khí
Trong nhiều nhà máy, hệ thống khí nén có thể tiêu thụ rất nhiều điện năng.
Theo các nghiên cứu công nghiệp, chi phí điện của hệ thống khí nén có thể chiếm:
➡ 60 – 75% tổng chi phí vận hành của hệ thống.
Do đó, nhiều doanh nghiệp đang tìm cách tối ưu hệ thống khí nén bằng biến tần.
Biến tần cho máy nén khí là gì?
Biến tần (VFD – Variable Frequency Drive) là thiết bị điện tử dùng để điều chỉnh tần số và điện áp cấp cho động cơ, từ đó thay đổi tốc độ quay của động cơ.
Khi được ứng dụng vào hệ thống máy nén khí, biến tần sẽ:
-
Tăng tốc động cơ khi nhu cầu khí nén tăng
-
Giảm tốc động cơ khi nhu cầu khí nén giảm
Nhờ đó, máy nén khí chỉ tạo ra lượng khí nén đúng với nhu cầu thực tế, giúp tiết kiệm điện năng và tối ưu hiệu suất vận hành.
Máy nén khí sử dụng công nghệ này thường được gọi là:
-
Máy nén khí biến tần
-
Máy nén khí VFD
-
Máy nén khí biến tốc (VSD – Variable Speed Drive)
Nguyên lý hoạt động của máy nén khí biến tần
Máy nén khí biến tần hoạt động dựa trên việc điều chỉnh tốc độ động cơ theo nhu cầu khí nén của hệ thống.
Quy trình hoạt động gồm các bước:
1. Cảm biến áp suất
Cảm biến áp suất liên tục đo áp suất trong hệ thống khí nén.
2. Bộ điều khiển gửi tín hiệu
Khi áp suất giảm xuống dưới mức cài đặt, bộ điều khiển gửi tín hiệu đến biến tần.
3. Biến tần thay đổi tần số
Biến tần điều chỉnh tần số nguồn điện cấp cho động cơ.
4. Động cơ thay đổi tốc độ
Động cơ tăng hoặc giảm tốc độ để đáp ứng nhu cầu khí nén.
Nhờ đó:
-
lưu lượng khí nén được điều chỉnh liên tục
-
áp suất hệ thống luôn ổn định
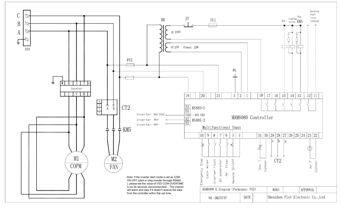
Sơ đồ biến tần máy nén khí
Cài đặt thông số biến tần máy nén khí Delixi
| Thông số | Chức năng | Phạm vi cài đặt và định nghĩa |
|---|---|---|
| P0.0.05 | Tần số đặt bằng bàn phím màn hình | Tần số mặc định là 50.00 Hz và có thể thay đổi theo yêu cầu. Nếu thay đổi tần số bằng chiết áp màn hình hoặc chiết áp ngoài có thể bỏ qua bước này. |
| P0.0.02 | Chế độ điều khiển | 1: Chế độ sensorless vòng hở |
| P0.0.03 | Nguồn lệnh chạy | 1: Điều khiển bằng cầu đấu |
| P0.0.04 | Nguồn tần số | 9: Truyền thông |
| P0.07 | Tần số tối đa | 200.00Hz |
| P0.08 | Tần số giới hạn trên | 200Hz |
| P0.09 | Tần số giới hạn dưới | 20.00Hz |
| P0.11 | Thời gian tăng tốc | 0.01–650.00s |
| P0.12 | Thời gian giảm tốc | 0.01–650.00s |
| P0.14 | Công suất định mức Motor | 0.1–1000.0Kw |
| P0.15 | Tần số định mức Motor | 0.01–Tần số Max |
| P0.16 | Điện áp định mức Motor | 0–1500V |
| P0.17 | Dòng điện định mức Motor | 0.1–3000.0A |
| P0.18 | Tốc độ định mức Motor | 0–65000Rpm |
| P0.24 | Nhận dạng thông số | 11: Nhận dạng động cơ đồng bộ khi có tải |
| P4.1.00 | Tốc độ truyền | 3: 9600 |
| P4.1.01 | Định dạng dữ liệu | 0: No Verification (8-N-2) |
| P4.1.02 | Địa chỉ truyền thông | 001 |
| P4.1.03 | Độ trễ phản hồi | 2ms |
So sánh máy nén khí tốc độ cố định và máy nén khí biến tần
| Tiêu chí | Máy nén khí thường | Máy nén khí biến tần |
|---|---|---|
| Tốc độ động cơ | Cố định | Điều chỉnh linh hoạt |
| Tiêu thụ điện | Cao | Tiết kiệm hơn |
| Áp suất khí nén | Dao động | Ổn định |
| Khởi động | Dòng khởi động lớn | Khởi động mềm |
| Tuổi thọ thiết bị | Hao mòn nhanh | Bền hơn |
Lợi ích khi lắp biến tần cho máy nén khí
Tiết kiệm điện năng
Máy nén khí biến tần có thể giúp tiết kiệm:
➡ 20% – 40% điện năng
so với máy nén khí tốc độ cố định.
Nguyên nhân là do biến tần giảm tốc độ động cơ khi nhu cầu khí nén thấp.
Khởi động mềm bảo vệ động cơ
Biến tần giúp động cơ khởi động từ từ, giảm dòng khởi động.
Điều này giúp:
-
bảo vệ hệ thống điện
-
giảm sụt áp
-
kéo dài tuổi thọ động cơ
Ổn định áp suất khí nén
Biến tần giúp điều chỉnh tốc độ động cơ liên tục, nhờ đó duy trì áp suất khí nén ổn định.
Điều này rất quan trọng đối với các dây chuyền sản xuất tự động.
Giảm hao mòn thiết bị
Nhờ giảm số lần khởi động và dừng máy, biến tần giúp:
-
giảm hao mòn cơ khí
-
tăng tuổi thọ vòng bi
-
giảm chi phí bảo trì
Biến tần cho máy nén khí trục vít
Máy nén khí trục vít là loại máy nén khí được sử dụng phổ biến nhất trong công nghiệp.
Đặc điểm:
-
công suất lớn
-
hoạt động liên tục
-
tải thay đổi theo nhu cầu
Do đó, máy nén khí trục vít rất phù hợp để sử dụng biến tần.
Lợi ích:
-
tiết kiệm điện năng đáng kể
-
giảm chi phí vận hành
-
tăng tuổi thọ máy nén
Biến tần cho máy nén khí piston
Ngoài máy nén khí trục vít, biến tần cũng có thể được sử dụng cho máy nén khí piston.
Tuy nhiên cần lưu ý:
-
kiểm tra khả năng chịu tải của động cơ
-
đảm bảo hệ thống làm mát phù hợp
Trong nhiều trường hợp, việc lắp biến tần cho máy nén khí piston có thể giúp giảm tiêu thụ điện và giảm tiếng ồn.
Khi nào nên lắp biến tần cho máy nén khí?
Biến tần mang lại hiệu quả cao nhất khi:
-
nhu cầu khí nén thay đổi theo thời gian
-
hệ thống khí nén có nhiều thiết bị hoạt động không đồng thời
-
nhà máy có nhiều ca sản xuất
Trong các trường hợp này, biến tần giúp điều chỉnh tốc độ động cơ linh hoạt để tiết kiệm điện năng.
Không nên sử dụng biến tần máy nén khí khi:
Biến tần có thể không mang lại hiệu quả kinh tế nếu:
-
Nhu cầu khí nén luôn ổn định
-
Máy nén luôn chạy ở tải tối đa
-
Hệ thống điện không ổn định
Trong những trường hợp này, máy nén khí tốc độ cố định có thể là lựa chọn phù hợp hơn.
Cách chọn biến tần cho máy nén khí
Chọn đúng công suất biến tần
Biến tần phải có công suất bằng hoặc lớn hơn công suất động cơ.
Ví dụ:
-
động cơ 22kW → chọn biến tần 22kW hoặc 30kW
-
động cơ 37kW → chọn biến tần 37kW
Dải tần số hoạt động
Máy nén khí thường hoạt động trong khoảng:
➡ 30Hz – 60Hz
Biến tần cần đảm bảo dải tần số phù hợp.
Các chức năng bảo vệ cần có
Biến tần nên có các chức năng:
-
bảo vệ quá dòng
-
bảo vệ quá áp
-
bảo vệ quá nhiệt
-
bảo vệ mất pha
Kinh nghiệm lắp biến tần cho máy nén khí thực tế
Trong thực tế, nhiều hệ thống máy nén khí có công suất lớn như:
Lắp đặt biến tần Delixi 15kW cho máy nén khí tại Hà Nội

Lắp đặt biến tần Delixi 55/75kW cho máy nén khí tại Hà Nam

Lắp đặt biến tần máy nén khí 30/37kW tại Hải Phòng

Tủ biến tần điều khiển máy nén khí trục vít

Biến tần Delixi H500 điều khiển máy nén khí

Biến tần Delixi H300 điều khiển máy nén khí

Việc lắp biến tần cho các hệ thống này có thể giúp giảm đáng kể chi phí điện năng hàng tháng.
Tuy nhiên, quá trình lắp đặt cần:
-
cấu hình đúng thông số biến tần
-
cài đặt áp suất phù hợp
-
kiểm tra hệ thống điện và động cơ
Công ty cổ phần tự động hóa Nihaco hỗ trợ kỹ thuật, lắp đặt và bảo hành Biến tần khắp các tỉnh: Hà Nội – Hải Phòng – Quảng Ninh – Bắc Ninh – Bắc Giang – Hải Dương – Hưng Yên – Vĩnh Phúc – Phú Thọ – Thái Nguyên – Thái Bình – Nam Định – Hà Nam – Ninh Bình – Lào Cai – Yên Bái – Tuyên Quang – Hà Giang – Cao Bằng – Bắc Kạn – Lạng Sơn – Sơn La – Hòa Bình – Điện Biên – Lai Châu – Thanh Hóa – Nghệ An – Hà Tĩnh.
- Giải pháp lắp đặt – vận hành – bảo trì trọn gói
- Hỗ trợ kỹ thuật tận tâm – báo giá nhanh – giao hàng toàn quốc
📞 Hotline: 093 888 3515
Câu hỏi thường gặp (FAQ)
Máy nén khí biến tần tiết kiệm điện bao nhiêu?
Máy nén khí biến tần có thể tiết kiệm khoảng 20–40% điện năng so với máy nén khí thông thường.
Có thể lắp biến tần cho máy nén khí cũ không?
Có thể, nhưng cần kiểm tra:
-
động cơ
-
hệ thống làm mát
-
tải vận hành
để đảm bảo hệ thống hoạt động ổn định.
Máy nén khí biến tần phù hợp với ngành nào?
Máy nén khí biến tần phù hợp với các ngành:
-
dệt may
-
thực phẩm
-
bao bì
-
ô tô
-
điện tử
Biến tần cho máy nén khí là giải pháp hiệu quả giúp:
-
tiết kiệm điện năng
-
ổn định áp suất khí nén
-
giảm hao mòn thiết bị
-
giảm chi phí vận hành
Đối với các nhà máy có nhu cầu khí nén thay đổi, việc lắp biến tần có thể mang lại hiệu quả kinh tế rất lớn.
