-
-
-
Tổng tiền thanh toán:
-
Tài liệu biến tần Delixi H500 chi tiết - Delixi H500 manual
Ngày 22/10/2025
Bình luận (0)
Hướng Dẫn Cài Đặt, Đấu Nối Biến Tần Delixi H500 - Tài liệu biến tần Delixi
Biến tần Delixi H500 là dòng biến tần vector hiệu suất cao, chuyên dụng cho điều khiển tốc độ và mô-men xoắn của động cơ xoay chiều 3 pha – bao gồm cả động cơ không đồng bộ (IM) và động cơ đồng bộ nam châm vĩnh cửu (PMSM).
Sản phẩm được phát triển dựa trên công nghệ điều khiển vector hiện đại, mang lại khả năng điều khiển chính xác, hiệu suất vượt trội, hoạt động ổn định và thiết kế sang trọng – bền bỉ.
Đặc điểm kỹ thuật nổi bật của Delixi H500
-
Tương thích đa dạng động cơ: điều khiển được động cơ xoay chiều 3 pha không đồng bộ và đồng bộ nam châm vĩnh cửu.
-
Mô-men khởi động cao: đạt tới 150% mô-men tại tốc độ bằng 0, giúp máy móc hoạt động mạnh mẽ, ổn định.
-
Điều khiển chính xác: hỗ trợ điều khiển vector vòng hở (SVC) và vòng kín (FVC), cùng chế độ V/F control linh hoạt.
-
Tích hợp nhiều phụ kiện mở rộng: thẻ PG, card truyền thông, card I/O mở rộng, bảng điều khiển rời…
-
Khả năng ứng dụng linh hoạt: dễ dàng đáp ứng yêu cầu kỹ thuật cao trong các ngành như máy công cụ, cơ khí kim loại, hóa dầu, nâng hạ, dệt, in, giấy, gốm sứ và nhiều lĩnh vực tự động hóa khác.
-
Thuật toán điều khiển tiên tiến: giúp máy hoạt động êm, giảm rung lắc, ổn định tốc độ và tiết kiệm điện năng tối đa.
TẢI TÀI LIỆU BIẾN TẦN DELIXI H500 CHI TIẾT "TẠI ĐÂY"
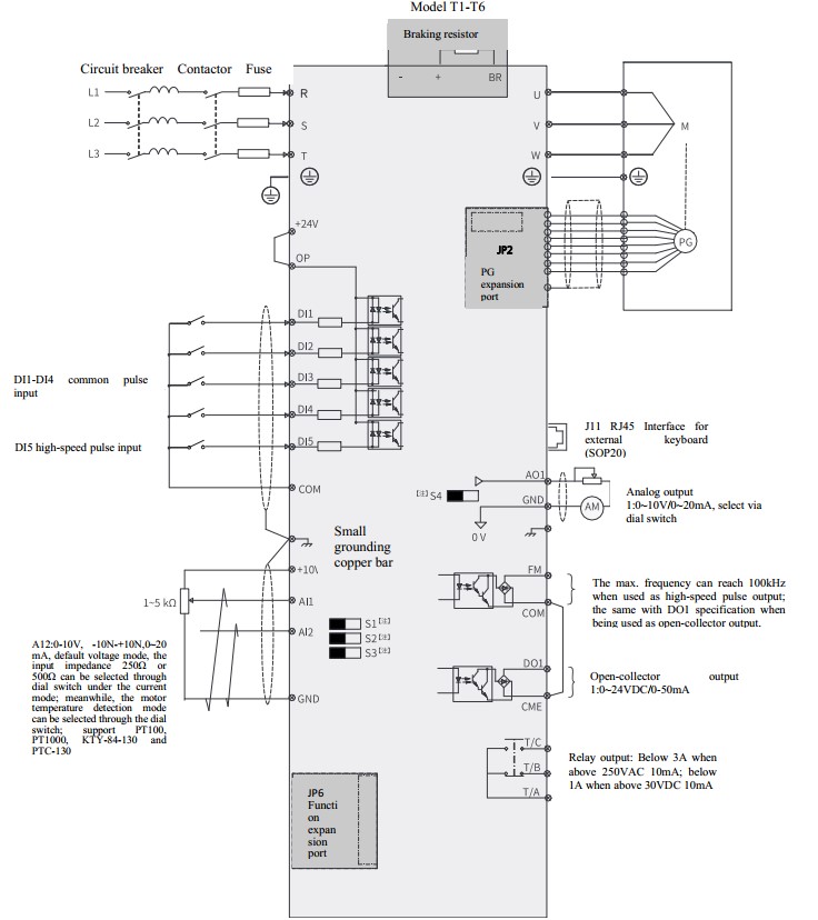
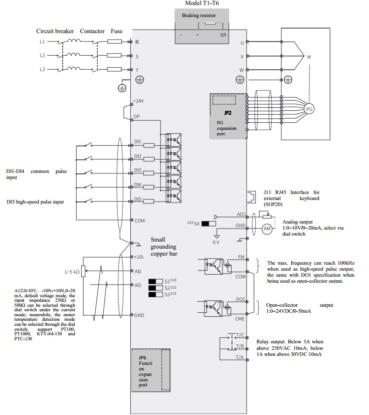
Sơ đồ hệ thống và cấu hình kết nối H500 và thiết bị khác
Khi lắp đặt hệ thống biến tần Delixi H500, các thiết bị ngoại vi cần được kết nối chuẩn để đảm bảo an toàn, ổn định và tuổi thọ hệ thống.

Hệ thống bao gồm:
-
Nguồn điện xoay chiều 3 pha
-
Thiết bị bảo vệ đầu vào: cầu dao, cầu chì, khởi động từ, cuộn kháng (reactor), bộ lọc EMC
-
Biến tần Delixi H500 – trung tâm điều khiển
-
Điện trở hãm, bộ hãm MDBUN, đảm bảo năng lượng tái sinh không gây hại mạch
-
Bảng điều khiển ngoài (SOP-20, MDKE10), các card mở rộng như card mã hóa, card truyền thông, card I/O
-
Động cơ và cuộn kháng đầu ra – đảm bảo giảm nhiễu, bảo vệ động cơ, kéo dài tuổi thọ thiết bị
👉 Lưu ý: Toàn bộ hệ thống phải được nối đất an toàn để tránh rò điện và bảo vệ người vận hành.
Sơ đồ nối dây biến tần Delixi H500

Chức năng và phụ kiện ngoại vi
Bảng sau đây là các thành phần ngoại vi thường sử dụng cùng biến tần H500:
| Thiết bị | Vị trí lắp đặt | Chức năng chính |
|---|---|---|
| Cầu dao, cầu chì | Ngõ vào | Bảo vệ ngắn mạch, quá tải, rò điện |
| Cuộn kháng, lọc EMC | Ngõ vào | Giảm nhiễu, cải thiện hệ số công suất |
| Điện trở hãm, bộ hãm MDBUN | Ngõ ra | Tiêu tán năng lượng tái sinh khi giảm tốc |
| Card mở rộng (PG, truyền thông, I/O) | Khe cắm mở rộng | Tăng khả năng điều khiển, giám sát |
| Bàn phím điều khiển ngoài | Cổng điều khiển | Cho phép vận hành từ xa, dễ dàng thao tác |
| Động cơ 3 pha | Ngõ ra | Thiết bị chấp hành chính, cần chọn đúng công suất phù hợp |
Thông số kỹ thuật nổi bật
| Thông số | Giá trị / Mô tả |
|---|---|
| Loại động cơ hỗ trợ | Động cơ không đồng bộ (IM), đồng bộ nam châm vĩnh cửu (PMSM) |
| Chế độ điều khiển | V/F, SVC (vector vòng hở), FVC (vector vòng kín) |
| Mô-men khởi động | 200% tại 0Hz |
| Phản hồi bước mô-men | < 2ms |
| Độ chính xác điều khiển mô-men | ±2% |
| Ổn định tốc độ | Sai số ≤ 0.02% khi có encoder |
| Dải điều chỉnh tốc độ | 1:500 |
| Chức năng bảo vệ | Quá dòng, quá áp, thấp áp, quá tải, lỗi encoder, quá nhiệt |
| Mức bảo vệ | IP20 tiêu chuẩn |
Bàn phím và thao tác điều khiển Delixi H500
Biến tần Delixi H500 được trang bị bàn phím điều khiển thân thiện, dễ thao tác, bao gồm:
| Phím | Chức năng |
|---|---|
| MODE | Chuyển chế độ hiển thị, hủy chỉnh sửa dữ liệu |
| ENTER | Lưu và xác nhận tham số cài đặt |
| JOG / LOC | Phím đa chức năng, dùng theo mã P0.1.35 |
| RUN / STOP | Khởi động và dừng thiết bị |
| ▲ / ▶ | Tăng tần số, thay đổi vị trí dữ liệu |
| Nút xoay tròn (Knob) | Điều chỉnh tần số, giá trị hoặc mã chức năng |
Ứng dụng thực tế
Biến tần Delixi H500 được sử dụng rộng rãi trong:
-
Máy ép nhựa, máy nén khí, máy dệt, máy cắt dao quay, hệ thống băng tải.
-
Cẩu trục, thang nâng hàng, bơm – quạt công nghiệp, hệ thống HVAC.
-
Các dây chuyền tự động hóa tại nhà máy cơ khí, luyện kim, chế biến thực phẩm.