-
-
-
Tổng tiền thanh toán:
-
SU100 MANUAL
Ngày 19/03/2024
Bình luận (0)
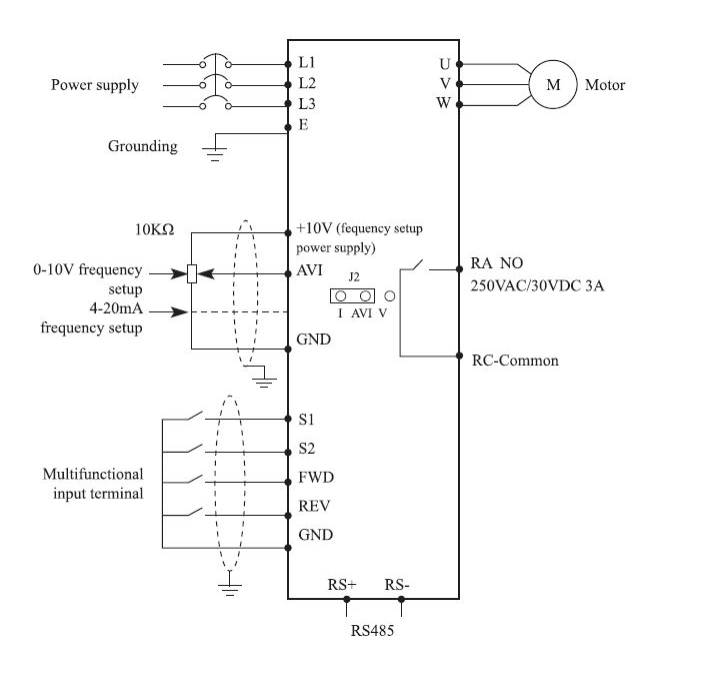
HƯỚNG DẪN CÀI ĐẶT BIẾN TẦN SUMO SU100
Tài liệu hướng dẫn cài đặt biến tần SUMO SU100. Tài liệu được cung cấp bới Công Ty TNHH Tự Động Hóa Nihaco

[ Download ] Tài liệu hướng dẫn cài đặt biến tần SUMO SU100 manual