-
-
-
Tổng tiền thanh toán:
-
KHỞI ĐỘNG SAO TAM GIÁC CỦA ĐỘNG CƠ BA PHA
Ngày 29/03/2024
Bình luận (0)
GIỚI THIỆU VỀ KHỞI ĐỘNG SAO TAM GIÁC CỦA ĐỘNG CƠ BA PHA
Động cơ điện ba pha có một số cách kết nối để đảm bảo hoạt động chính xác theo đặc tính của máy, cách đầu tiên chúng ta có thể tìm thấy là kết nối trực tiếp với mạng ba pha thông qua mạch điện và cơ động, đây sẽ là một khởi đầu đơn giản - dừng lại. Một biến tần quay có thể được thêm vào điểm dừng khởi động này.

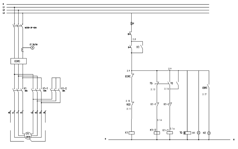
Sơ đồ đấu nối mạch khởi động sao/tam giác
Các cách khác để điều khiển hoạt động của động cơ là sử dụng bộ khởi động mềm hoặc bằng bộ biến tần, kiểu khởi động này thường lý tưởng để động cơ bảo vệ nó, mặc dù thường không cần thiết phải đầu tư thêm, có thể giải quyết sự khởi động của động cơ với mạch định thời của các công tắc tơ.
Những kiểu khởi động này được sử dụng để ngăn chặn động cơ điện có dòng điện cực đại khi khởi động, như xảy ra với khởi động trực tiếp, để tránh dòng điện cực đại này tại thời điểm tăng tốc đến mức đầy tải, cho đến khi đạt tốc độ vận hành mong muốn. Khởi động sao tam giác có giới hạn mô-men xoắn nên không phù hợp với động cơ phải khởi động ở mức đầy tải với toàn bộ mô-men xoắn mà động cơ cho phép.
NGUYÊN LÝ HOẠT ĐỘNG TỦ ĐIỆN ĐIỀU KHIỂN SAO TAM GIÁC CHO ĐỘNG CƠ 3 PHA
Khi nhấn công tắc ON K1 có dòng điện chạy do mạch kín (K1 cuộn dây công tắc tơ cấp điện cho động cơ 3 pha), khi đó role thời gian bắt đầu đếm, các tiếp điểm vẫn giữ nguyên trạng thái, nên lúc này contactor K1-2 kín, động cơ chạy với kiểu sao, đồng thời vào thời điểm này thường đóng của rơ le thời gian làm cho dòng điện chạy qua do mạch kín làm tiếp điểm thường mở của rơ le đóng lại duy trì sự có điện của K1-1, Khi nhả nút ON thì K1 vẫn kín vì tiếp điểm duy trì NO. Động cơ chạy sao cho đến khi role thời gian đếm đủ thời gian đặt trước, sau đó các tiếp điểm đảo trạng thái, lúc này cuộn K1-1 hở và cuộn K1-2 kín, động cơ chạy theo kiểu tam giác. Các tiếp điểm thường đóng của K1-1, K1-2 được bố trí trước các contactor để khóa chéo lẩn nhau nhằm an toàn. nếu K1-1 đóng thì K1-2 nhả và ngược lại.
Nếu có sự cố gì đó như mất pha, làm rờ le nhiệt nhảy thì tiếp điểm thường đóng OLR2 hở, mạch điều khiển mất điện toàn bộ, công tắc tơ nhả hết, động cơ dừng lại.

Sơ đồ đấu nối mạch khởi động sao/tam giác
ƯU ĐIỂM CỦA KHỞI ĐỘNG SAO TAM GIÁC CHO ĐỘNG CƠ BA PHA
- Cuộn dây động cơ ít bị ảnh hưởng hơn vì chúng không nhận được cường độ cực đại như khi khởi động trực tiếp, kéo dài tuổi thọ hữu ích của động cơ.
- Khởi động sao tam giác được ưa chuộng do có giá thành rẻ.
- Phương pháp khởi động sao tam giác bị giới hạn số lần vận hành động cơ.
- Hạn chế sụt áp lưới điện khi khởi động, giúp bảo vệ tuổi thọ của các thiết bị trong hệ thống điện.
- Tạo được mô-men xoắn cao trên mỗi Ampe.
NHƯỢC ĐIỂM CỦA KHỞI ĐỘNG SAO TAM GIÁC
- Mạch khởi động sao tam giác phải được cấp nguồn có cường độ điện áp giống với điện áp định của động cơ.
- Dòng điện khởi động giảm 3 lần kéo theo mô-men chỉ đạt một phần ba nên làm ảnh hưởng đến cơ học ban đầu của động cơ.
Là nhà phân phối biến tần miền Bắc, Nihaco cung cấp các dịch vụ:
- Cung cấp vật tư điện, thiết bị điện - tự động hóa và điều khiển công nghiệp.
- Dịch vụ sửa chữa biến tần tại Hải Phòng.
- Khảo sát, tư vấn kỹ thuật miễn phí, cùng khách hàng đưa ra giải pháp tối ưu.
- Thiết kế, thi công tủ bảng điện: tủ điện điều khiển, tủ điện động lực, tủ điện chiếu sáng…
- Lập trình, tích hợp hệ thống PLC, HMI, SCADA và các hệ thống giám sát, điều khiển.