-
-
-
Tổng tiền thanh toán:
-
Delixi H300 Manual - Tài Liệu Biến Tần Delixi H300 Đầy Đủ
Ngày 20/01/2026
Bình luận (0)
Delixi H300 Manual - Tài Liệu Biến Tần Delixi H300 Đầy Đủ PDF
Biến tần Delixi H300 là dòng biến tần đa năng, hiệu suất cao, được sử dụng phổ biến trong các ứng dụng công nghiệp như bơm, quạt, băng tải, máy ép, máy khuấy, máy mài…
Để cài đặt và vận hành đúng kỹ thuật, việc tham khảo tài liệu (manual) biến tần Delixi H300 là vô cùng cần thiết.
CÔNG TY CỔ PHẦN TỰ ĐỘNG HÓA NIHACO đạy lý phân phối ủy quyền Biến tần Delixi tại Việt nam tổng hợp và chia sẻ nội dung manual Delixi H300 ngắn gọn – dễ áp dụng – đúng thực tế lắp đặt tại Việt Nam.
TẢI TÀI LIỆU BIẾN TẦN DELIXI H300 ĐẦY ĐỦ "TẠI ĐÂY"
Tổng Quan Biến Tần Delixi H300
Sản phẩm này là biến tần vector dòng điện vòng hở hiệu suất cao, mang tính универс (đa năng) và chi phí hiệu quả.
Được thiết kế chủ yếu để điều khiển và điều chỉnh tốc độ cũng như mô-men xoắn của động cơ AC không đồng bộ ba pha và động cơ AC đồng bộ ba pha, sản phẩm tích hợp công nghệ điều khiển vector dòng điện tiên tiến.
Biến tần mang lại:
-
Hiệu suất vượt trội
-
Đầy đủ chức năng
-
Dễ dàng sử dụng
-
Thiết kế hiện đại, gọn gàng
Đặc điểm nổi bật của dòng sản phẩm DELIXI H300:
-
Có thể điều khiển động cơ AC đồng bộ ba pha và động cơ đồng bộ nam châm vĩnh cửu AC ba pha.
-
Khả năng điều khiển động cơ không đồng bộ được cải thiện, cho phép đạt 150% mô-men xoắn tại tần số 0.25Hz mà không cần encoder, giúp đơn giản hóa việc điều khiển và vận hành.
-
Giải quyết hiệu quả các vấn đề kỹ thuật và hiệu suất trong nhiều ngành công nghiệp như: cáp điện, máy công cụ, gia công kim loại, hóa dầu, khí tự nhiên, thiết bị nâng hạ, bột giấy & giấy, dệt may, in ấn – nhuộm, gốm sứ.
-
Thuật toán điều khiển động cơ đồng bộ tiên tiến giúp đơn giản hóa và ổn định quá trình điều khiển, đặc biệt trong các ứng dụng tốc độ cao.
-
Hỗ trợ đa dạng phụ kiện chức năng, bao gồm: card truyền thông, card mở rộng I/O, v.v.
Nội Dung Chính Trong Manual Delixi H300
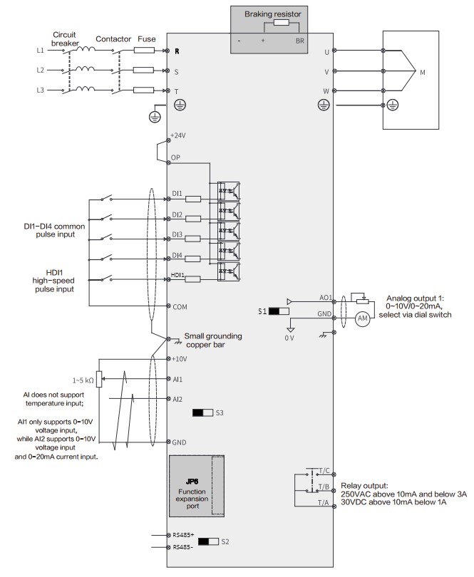
Sơ Đồ Hướng Dẫn Đấu Nối Biến Tần Delixi H300

-
Đấu nguồn vào: R – S – T
-
Đấu động cơ: U – V – W
-
Đấu điện trở xả (nếu có)
-
Đấu tín hiệu điều khiển:
-
Ngõ vào số (DI)
-
Ngõ vào analog (AI 0–10V / 4–20mA)
-
Ngõ ra relay, AO
-

👉 Manual có sơ đồ đấu dây chi tiết, dễ áp dụng cho thợ điện – kỹ sư.
Các Thông Số Cài Đặt Cơ Bản (Quan Trọng Nhất)
Một số thông số thường dùng trong tài liệu Delixi H300:
|
Mã tham số |
Chức năng |
Mã tham số |
Chức năng |
Mã tham số |
Chức năng |
|---|---|---|---|---|---|
|
P0.1.37 |
Parameter initialization (Khởi tạo tham số) |
P0.1.06 |
Chọn nguồn lệnh chạy (Select running command) |
P2.0.02 |
Chức năng của chân DI2 |
|
P0.0.04 |
Check Software Version (Kiểm tra phiên bản phần mềm) |
P0.1.09 |
Chọn nguồn tần số A (Select frequency source A) |
P2.0.03 |
Chức năng của chân DI3 |
|
P1.0.00 |
Loại động cơ 1 (Motor 1 type) |
P0.1.16 |
Tần số lớn nhất (Max. frequency) |
P2.0.04 |
Chức năng của chân DI4 |
|
P1.0.01 |
Công suất định mức động cơ 1 (Motor 1 rated power) |
P0.1.18 |
Tần số giới hạn trên (Upper limit frequency) |
P2.0.05 |
Chức năng của chân DI5 |
|
P1.0.02 |
Tần số định mức động cơ 1 (Motor 1 rated frequency) |
P0.1.20 |
Tần số giới hạn dưới (Lower limit frequency) |
P2.0.06 |
Chức năng của chân DI6 |
|
P1.0.03 |
Điện áp định mức động cơ 1 (Motor 1 rated voltage) |
P0.2.00 |
Thời gian tăng tốc 1 (Acceleration time 1) |
P2.1.01 |
Chọn chức năng rơ-le T1 (Select T1 relay function) |
|
P1.0.04 |
Dòng định mức động cơ 1 (Motor 1 rated current) |
P0.2.01 |
Thời gian giảm tốc 1 (Deceleration time 1) |
|
|
|
P1.0.05 |
Tốc độ quay định mức động cơ 1 (Motor 1 rated rotation speed) |
P0.5.00 |
Chế độ khởi động (Starting mode) |
|
|
|
P0.1.05 |
Chế độ điều khiển động cơ 1 (Motor 1 control mode) |
P0.5.03 |
Chế độ dừng (Shutdown mode) |
|
|
|
P1.0.17 |
Điều khiển nhận dạng tham số động cơ 1 (Parameter identification control of Motor) |
P2.0.01 |
Chức năng của chân DI1 (Functions of Terminal DI1) |
|
|
👉 Cài đúng các thông số này giúp biến tần chạy êm – không báo lỗi – bảo vệ động cơ tốt.
Các Lỗi Thường Gặp Trong Manual Delixi H300
|
Mã lỗi P8.0.xx |
Mô tả lỗi (Tiếng Việt – English) |
|---|---|
| P8.0.00 | Không lỗi (No fault) |
| P8.0.01 | Quá dòng khi chạy tốc độ không đổi (Constant speed overcurrent) |
| P8.0.02 | Quá dòng khi tăng tốc (Acceleration overcurrent) |
| P8.0.03 | Quá dòng khi giảm tốc (Deceleration overcurrent) |
| P8.0.04 | Quá áp khi chạy tốc độ không đổi (Constant speed overvoltage) |
| P8.0.05 | Quá áp khi tăng tốc (Acceleration overvoltage) |
| P8.0.06 | Quá áp khi giảm tốc (Deceleration overvoltage) |
| P8.0.07 | Lỗi module (Module fault) |
| P8.0.08 | Thấp áp (Under-voltage) |
| P8.0.09 | Quá tải biến tần (Inverter overload) |
| P8.0.10 | Quá tải động cơ (Motor overload) |
| P8.0.11 | Mất pha đầu vào (Input open phase) |
| P8.0.12 | Mất pha đầu ra (Output open phase) |
| P8.0.13 | Lỗi ngoài (External fault) |
| P8.0.14 | Lỗi truyền thông (Communication error) |
| P8.0.15 | Quá nhiệt biến tần (Inverter overheat) |
| P8.0.16 | Lỗi phần cứng biến tần (Inverter hardware error) |
| P8.0.17 | Ngắn mạch chạm đất động cơ (Motor-to-ground short circuit) |
| P8.0.18 | Lỗi nhận dạng động cơ (Motor identification error) |
| P8.0.19 | Mất tải động cơ (Motor load loss) |
| P8.0.20 | Mất phản hồi PID (PID feedback loss) |
| P8.0.23 | Đạt thời gian cấp điện (Power-on time reached) |
| P8.0.24 | Đạt thời gian chạy (Running period reached) |
| P8.0.25 | Lỗi encoder (Encoder fault) |
| P8.0.26 | Lỗi đọc/ghi tham số (Parameter read/write error) |
| P8.0.27 | Quá nhiệt động cơ (Motor overheat) |
| P8.0.28 | Sai lệch tốc độ lớn (Speed major deviation) |
| P8.0.29 | Quá tốc động cơ (Motor overspeed) |
| P8.0.30 | Lỗi vị trí ban đầu (Initial position error) |
| P8.0.32 | Lỗi contactor/khởi động từ (Contactor fault) |
| P8.0.34 | Hết thời gian giới hạn dòng nhanh (Fast current limiting timeout) |
| P8.0.35 | Chuyển động cơ khi đang chạy (Motor switching during running) |
| P8.0.36 | Lỗi nguồn 24V (24V power supply fault) |
| P8.0.37 | Lỗi nguồn cấp cho drive/biến tần (Drive power supply fault) |
| P8.0.38 | Ngắn mạch đầu ra (Output short-circuit) |
| P8.0.39 | Dự phòng (Reserved) |
| P8.0.40 | Lỗi điện trở hãm (Buffer resistance error) |
👉 Manual có bảng lỗi chi tiết, NIHACO thường dùng bảng này để chẩn đoán & sửa chữa nhanh.
Hỗ Trợ Kỹ Thuật Delixi H300 – NIHACO
Ngoài việc cung cấp tài liệu, NIHACO còn:
-
✔ Lắp đặt biến tần Delixi H300
-
✔ Cài đặt thông số theo máy thực tế
-
✔ Sửa chữa biến tần Delixi H300 (OC, OV, cháy IGBT, lỗi bo mạch)
-
✔ Test tải – bảo hành sau sửa chữa
📞 Liên hệ NIHACO: 093 888 3515 để được hỗ trợ nhanh nhất về manual & kỹ thuật Delixi H300.