Thời gian làm việc: Từ 7h30 đến 17h30

HƯỚNG DẪN CÀI ĐẶT VÀ ĐẤU NỐI DÂY CƠ BẢN BIẾN TẦN SU500

HƯỚNG DẪN CÀI ĐẶT VÀ ĐẤU NỐI DÂY CƠ BẢN BIẾN TẦN SU500 Tài liệu hướng dẫn cài đặt biến tần SUMO SU500. Tài liệu được chia sẻ bằng tiếng việt đơn giản, dễ hiểu, được cung cấp bới Công Ty TNHH Tự Động Hóa Nihaco [ Download ] Tài liệu hướng dẫn cài đặt biến tần SUMO SU500

Xem thêm
Avatar
ĐINH VĂN THIẾT

SU800 MANUAL

HƯỚNG DẪN CÀI ĐẶT  BIẾN TẦN SU800 Tài liệu hướng dẫn cài đặt biến tần SUMO SU800. Tài liệu được cung...

Xem thêm

HƯỚNG DẪN CÀI ĐẶT BIẾN TẦN SUMO CHẠY ĐA CẤP TỐC ĐỘ

HƯỚNG DẪN CÀI ĐẶT BIẾN TẦN SUMO CHẠY ĐA CẤP TỐC ĐỘ Tài liệu hướng dẫn cài đặt biến tần SUMO...

Xem thêm

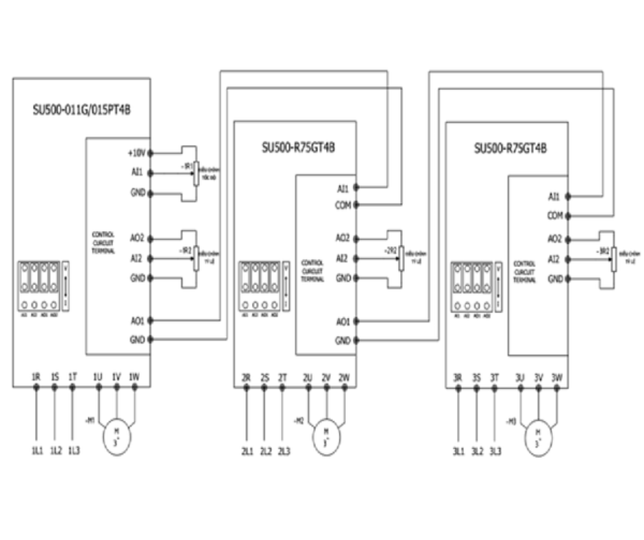
HƯỚNG DẪN CÀI ĐẶT BIẾN TẦN SUMO CHẠY ĐỒNG TỐC NHIỀU BIẾN TẦN

HƯỚNG DẪN CÀI ĐẶT BIẾN TẦN SUMO CHẠY ĐỒNG TỐC NHIỀU BIẾN TẦN Tài liệu hướng dẫn cài đặt biến tần...

Xem thêm

TUYỂN DỤNG NHÂN SỰ NĂM 2024

CÔNG TY TNHH TỰ ĐỘNG HOÁ NIHACO cần tuyển dụng nhân sự ở vị trí sau: 1. Chuyên viên kỹ thuật...

Xem thêm

HƯỚNG DẪN CÀI ĐẶT BIẾN TẦN SUMO CHẠY PID CHO BĂNG TẢI CẤP LIỆU MÁY NGHIỀN

HƯỚNG DẪN CÀI ĐẶT BIẾN TẦN SUMO CHẠY PID CHO BĂNG TẢI CẤP LIỆU MÁY NGHIỀN Tài liệu hướng dẫn cài...

Xem thêm

HƯỚNG DẪN CÀI ĐẶT BIẾN TẦN SUMO CHAY THEO CHƯƠNG TRÌNH ĐẶT TRƯỚC

HƯỚNG DẪN CÀI ĐẶT BIẾN TẦN SUMO CHAY THEO CHƯƠNG TRÌNH ĐẶT TRƯỚC Tài liệu hướng dẫn cài đặt biến tần...

Xem thêm