-
-
-
Tổng tiền thanh toán:
-
Biến tần Delixi CDI-E180 - Biến tần chính hãng, chất lượng cao, giá tốt
Trong thời đại công nghiệp 4.0, các doanh nghiệp ngày càng chú trọng đến việc sử dụng thiết bị điều khiển tự động hóa nhằm nâng cao hiệu suất sản xuất và tiết kiệm năng lượng. Trong số đó, biến tần Delixi CDI-E180 được xem là một trong những dòng sản phẩm nổi bật nhờ thiết kế tối ưu, tính năng đa dạng và khả năng vận hành linh hoạt, ổn định trong nhiều môi trường công nghiệp khác nhau.
Delixi CDI-E180 có thiết kế tối ưu mang lại hiệu suất vận hành cao
Delixi CDI-E180 là dòng biến tần điều khiển vector vòng mở, được phát triển trên nền tảng công nghệ hiện đại, kết hợp giữa hiệu suất và độ bền cơ học cao. Thiết bị có kích thước nhỏ gọn, kiểu dáng công nghiệp hiện đại, dễ dàng tháo lắp và lắp đặt trong mọi không gian.
Đặc biệt, phần kênh gió làm mát (air-duct) được thiết kế cô lập hoàn toàn, giúp tăng hiệu quả tản nhiệt và kéo dài tuổi thọ cho linh kiện điện tử bên trong. Bề mặt mạch và các bộ phận chính đều được phủ lớp chống ẩm và bụi (conformal coating), giúp biến tần hoạt động ổn định ngay cả trong môi trường nhiều bụi, độ ẩm cao hoặc có hóa chất.
Tính năng kỹ thuật nổi bật của biến tần Delixi CDI-E180
Biến tần Delixi E180 được tích hợp nhiều tính năng kỹ thuật cao cấp nhằm đáp ứng nhu cầu vận hành ổn định và chính xác:
-
Điều khiển V/F và vector vòng mở ổn định, giúp tối ưu hóa tốc độ và mô-men xoắn theo từng loại tải.
-
Chức năng AVR (Automatic Voltage Regulation) duy trì mô-men đầu ra ổn định kể cả khi điện áp nguồn dao động, giúp động cơ không bị sụt áp hoặc quá tải bất thường.
-
Tích hợp mô-đun truyền thông RS-485, hỗ trợ chuẩn MODBUS-RTU, dễ dàng kết nối với các thiết bị điều khiển như PLC, HMI hoặc hệ thống SCADA.
-
Bàn phím rời hỗ trợ phích cắm nóng, có thể kéo dài tới 50m và cho phép sao chép tham số nhanh chóng, tiện lợi khi vận hành nhiều máy đồng bộ.
-
Chức năng phanh DC tích hợp sẵn cho dòng ≤15kW và tùy chọn cho các dải công suất lớn hơn, giúp dừng máy chính xác, an toàn.
Tham khảo thêm tính năng của các dòng biến tần Delixi khác:
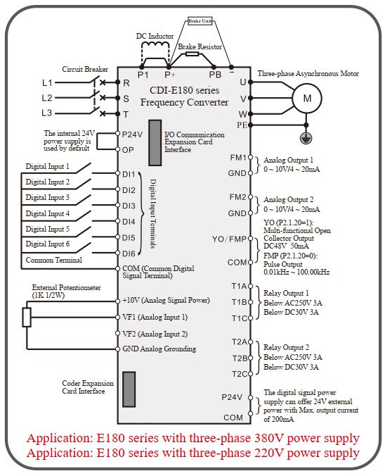
Sờ đồ đấu nối và cấu tạo ngoài của biến tần Delixi CDI-E180

Sơ đồ đấu nối biến tần Delixi E180
Cấu tạo ngoài - Đầu đấu dây của biến tần Delixi CDI-E180

Cấu tạo kích thước của Delixi E180 Model 1

Cấu tạo kích thước của Delixi E180 Model 2

Cấu tạo kích thước của Delixi E180 Model 3

Cấu tạo kích thước của Delixi E180 Model 4

Cấu tạo kích thước của Delixi E180 Model 5

Cấu tạo kích thước của Delixi E180 Model 6

Cấu tạo kích thước của Delixi E180 Model 7

Cấu tạo kích thước của Delixi E180 Model 8

Cấu tạo kích thước của Delixi E180 Model 9

Cấu tạo kích thước của Delixi E180 Model 10

Cấu tạo kích thước của Delixi E180 Model 11
Serier biến tần Delixi CDI-E180
|
Mã biến tần |
Công suất |
Dòng đầu vào |
Dòng đầu ra |
|
T2( 3 pha, 220V, 50/60Hz) |
|||
CDI-E180G0R4T2B |
1.5 |
3.4 |
2.3 |
CDI-E180G0R75T2B |
3 |
5.0 |
4.0 |
CDI-E180G1R5T2B |
4 |
5.8 |
7.0 |
CDI-E180G2R2T2B |
5.9 |
10.5 |
10 |
CDI-E180G3R7T2B |
8.5 |
15.5 |
17 |
CDI-E180G5R5T2B |
17 |
26 |
25 |
CDI-E180G7R5T2BL |
21 |
35 |
32 |
CDI-E180G011T2 |
30 |
46.5 |
45 |
CDI-E180G015T2 |
40 |
62 |
60 |
CDI-E180G018.5T2 |
50 |
76 |
75 |
CDI-E180G022T2 |
60 |
92 |
90 |
CDI-E180G030T2 |
72 |
113 |
110 |
CDI-E180G037T2 |
100 |
157 |
152 |
CDI-E180G045T2 |
116 |
180 |
176 |
CDI-E180G055T2 |
138 |
214 |
210 |
CDI-E180G075T2 |
200 |
305 |
300 |
CDI-E180G093T2 |
224 |
344 |
340 |
|
T4( 3 pha, 380V, 50/60Hz) |
|||
CDI-E180G0R75T4B |
1.5 |
3.4 |
2.3 |
CDI-E180G1R5T4B |
3 |
5.0 |
3.7 |
CDI-E180G2R2T4B |
4 |
5.8 |
5.1 |
CDI-E180G3R7/P5R5T4B |
5.9/8.5 |
10.5/15.5 |
9.0/13 |
CDI-E180G5R5MT4B |
8.5 |
15.5 |
13 |
CDI-E180G5R5/P7R5T4B |
8.5/11 |
15.5/20.5 |
13/17 |
CDI-E180G7R5/P011T4B |
11/17 |
20.5/26 |
17/25 |
CDI-E180G011MT4B |
17 |
26 |
25 |
CDI-E180G011/P015T4BL |
17/21 |
26/35 |
25/32 |
CDI-E180G015/P018.5T4BL |
21/24 |
35/38.5 |
32/37 |
CDI-E180G018.5/P022T4 |
24/30 |
38.5/46.5 |
37/45 |
CDI-E180G022/P030T4 |
30/40 |
46.5/62 |
45/60 |
CDI-E180G030/P037T4 |
40/50 |
62/76 |
60/75 |
CDI-E180G037/P045T4 |
50/60 |
76/92 |
75/90 |
CDI-E180G045/P055T4 |
60/72 |
92/113 |
90/110 |
CDI-E180G055/P075T4 |
72/100 |
113/157 |
110/152 |
CDI-E180G075/P093T4 |
100/116 |
157/180 |
152/176 |
CDI-E180G093/P110T4 |
116/138 |
180/214 |
176/210 |
CDI-E180G110/P132T4 |
138/167 |
214/256 |
210/253 |
CDI-E180G132/P160T4 |
167/200 |
256/305 |
253/300 |
CDI-E180G160/P185T4 |
200/224 |
305/344 |
300/340 |
CDI-E180G185/P200T4 |
224/250 |
344/383 |
340/380 |
CDI-E180G200/P220T4L |
250/276 |
383/425 |
380/420 |
CDI-E180G220T4L |
276 |
425 |
420 |
CDI-E180P250T4L |
316 |
484 |
480 |
CDI-E180G250/P280T4L |
316/355 |
484/543 |
480/540 |
CDI-E180G280/P315T4L |
355/395 |
543/605 |
540/600 |
CDI-E180G315/P355T4L |
395/467 |
605/714 |
600/680 |
CDI-E180G355/P375T4L |
447/467 |
683/714 |
680/710 |
CDI-E180G375T4L |
467 |
714 |
710 |
CDI-E180P400T4L |
494 |
753 |
750 |
CDI-E180G400T4L |
494 |
753 |
750 |
CDI-E180P500T4L |
612 |
934 |
500 |
CDI-E180G500T4L |
612 |
934 |
500 |
CDI-E180G630T4L |
790 |
1206 |
630 |
Delixi CDI-E180 có cấu hình linh hoạt và lựa chọn mở rộng
Delixi E180 cho phép người dùng lựa chọn cấu hình mở rộng tùy theo mức công suất và đặc thù tải:
- Công suất ≤ 15kW Tích hợp sẵn bộ phanh, cuộn kháng DC tiêu chuẩn
- Công suất 18.5 – 22kW Tùy chọn cuộn kháng DC tích hợp
- Công suất 30 – 185kW Tùy chọn cuộn kháng DC gắn ngoài
- Công suất ≥ 200kW Cuộn kháng DC tích hợp theo tiêu chuẩn
Thiết bị cũng được tích hợp đầy đủ các chức năng bảo vệ như: quá áp, quá dòng, quá nhiệt, mất pha, ngắn mạch, đảm bảo vận hành an toàn và tăng độ tin cậy cho toàn bộ hệ thống.
Ứng dụng thực tế trong nhiều ngành công nghiệp
Delixi E180 là giải pháp lý tưởng cho các ứng dụng có tải thay đổi phức tạp, cần kiểm soát tốc độ chính xác hoặc vận hành liên tục:
-
Ngành cơ khí – chế biến: máy cắt, máy nghiền, máy trộn, máy ép, máy chế biến gỗ, thực phẩm, thủy sản
-
Ngành dệt may – nhuộm – in ấn: máy dệt, máy in, máy kéo sợi
-
Hệ thống bơm – quạt – băng tải: điều chỉnh lưu lượng, tiết kiệm điện năng
-
Ngành nâng hạ – xây dựng: cẩu trục, cổng trục, palang, thang nâng
Sự linh hoạt trong điều khiển giúp E180 đáp ứng cả ứng dụng tải nhẹ lẫn tải nặng, từ dây chuyền tự động hóa nhỏ đến hệ thống công nghiệp quy mô lớn.
Giải pháp toàn diện từ Nihaco Automation và Biến tần Delixi
Là đại lý chính thức phân phối và lắp đặt biến tần Delixi tại Việt Nam, Nihaco Automation mang đến giải pháp trọn gói cho doanh nghiệp:
-
Cung cấp đầy đủ các dòng biến tần Delixi chính hãng – sẵn kho – đa dạng công suất
-
Hỗ trợ tư vấn kỹ thuật, lắp đặt tận nơi, cài đặt thông số theo yêu cầu
-
Bảo hành đầy đủ, hỗ trợ dài hạn sau bán hàng
-
Chính sách chiết khấu tốt cho khách hàng dự án, đại lý và doanh nghiệp sản xuất
Liên hệ ngày với Nihaco Automation để được tư vấn báo giá tốt nhất cho Bạn sẵn sàng hỗ trợ 24/7.
Cơ sở 1: 340 Thiên Lôi, Vĩnh Niệm, Lê Chân, Hải Phòng
Cơ sở 2: Ql1A, Cầu Dừa, Xuân Lâm, Nghi Sơn, Thanh Hoá
Cơ sở 3: QL10, Chợ Dầu, Yên Khánh, Ninh Bình
Website: nihaco.com.vn
Tham khảo thêm ƯU ĐÃI VÀ DỊCH VỤ KHÁC tại:
Facebook: Tự Động Hóa Nihaco
Cung cấp - Sửa chữa biến tần Thanh Hóa
Youtube: Nihaco Automation
Tiktok: Nihaco Automation
Hãy để Nihaco giúp bạn nâng cao hiệu suất sản xuất với những sản phẩm biến tần chất lượng nhất!