-
-
-
Tổng tiền thanh toán:
-
Biến Tần Cho Băng Tải: Cách Chọn, Nguyên Lý & Ứng Dụng
Ngày 23/03/2026
Bình luận (0)
Biến Tần Cho Băng Tải: Cách Chọn, Nguyên Lý & Ứng Dụng
Trong quá trình vận hành, nhiều hệ thống băng tải gặp tình trạng giật, hao điện, nhanh hỏng cơ khí. Nguyên nhân chủ yếu đến từ việc chưa sử dụng biến tần điều khiển. Vậy biến tần cho băng tải là gì và lựa chọn như thế nào cho đúng? Không chỉ cung cấp biến tần chính hãng cho băng tải, Công ty cổ phần tự động hóa Nihaco còn cung cấp dịch vụ sửa chữa biến tần cho băng tải giá tốt bảo hành từ 3 tháng.
Biến tần cho băng tải là gì?

Biến tần (Variable Frequency Drive – VFD) là thiết bị điện tử có chức năng điều chỉnh tần số và điện áp đầu ra để kiểm soát tốc độ động cơ điện. Trong hệ thống băng tải, biến tần đóng vai trò như “bộ não điều khiển”, giúp:
- Điều chỉnh tốc độ vận chuyển phù hợp từng công đoạn
- Khởi động và dừng mềm, hạn chế sốc cơ khí
- Bảo vệ động cơ và hệ thống truyền động
Vì sao băng tải cần sử dụng biến tần?
Trong các dây chuyền sản xuất hiện đại, việc sử dụng biến tần gần như là tiêu chuẩn bắt buộc.
Khi không sử dụng biến tần, động cơ thường khởi động trực tiếp, gây ra hiện tượng sốc cơ khí. Điều này làm băng tải nhanh xuống cấp, dễ trượt tải hoặc đứt dây. Ngoài ra, hệ thống luôn chạy ở tốc độ tối đa, dẫn đến tiêu hao điện năng lớn.
Ngược lại, khi lắp biến tần, toàn bộ quá trình vận hành trở nên êm ái hơn. Tốc độ được điều chỉnh phù hợp với từng giai đoạn sản xuất, giúp tiết kiệm điện và tăng tuổi thọ thiết bị.
Nguyên lý hoạt động của biến tần
Nguyên lý hoạt động của biến tần gồm 3 giai đoạn chính:
- Chỉnh lưu (AC → DC): chuyển đổi nguồn điện xoay chiều thành điện một chiều
- Lọc và tích trữ năng lượng: làm phẳng điện áp DC
- Nghịch lưu (DC → AC): tạo ra điện áp xoay chiều với tần số thay đổi
Thông qua việc thay đổi tần số đầu ra, biến tần điều khiển trực tiếp tốc độ quay của động cơ, từ đó điều chỉnh tốc độ băng tải theo yêu cầu sản xuất.
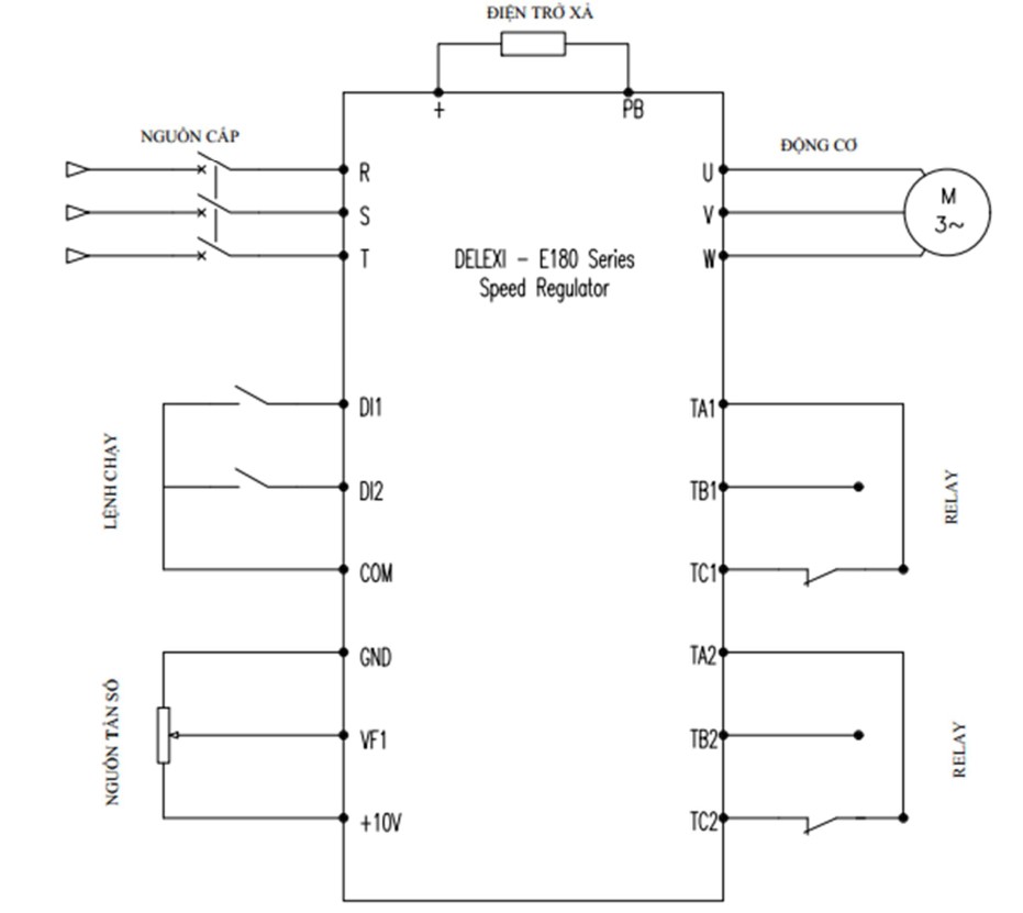
Sơ đồ kết nối biến tần - băng tải

Cài đặt thông số biến tần băng tải

Vai trò của biến tần trong hệ thống băng tải
Biến tần không chỉ là thiết bị điều khiển mà còn mang lại nhiều giá trị thực tiễn:
Tiết kiệm năng lượng
Thay vì chạy full tải liên tục, biến tần điều chỉnh công suất theo nhu cầu thực tế, giúp tiết kiệm từ 20–40% điện năng.
Tăng tuổi thọ thiết bị
Khởi động mềm và dừng êm giúp giảm hao mòn cơ khí, hạn chế tình trạng giật, trượt hoặc đứt băng.
Điều khiển linh hoạt
Cho phép thay đổi tốc độ, đảo chiều, đồng bộ nhiều băng tải trong cùng hệ thống.
Bảo vệ hệ thống
Tích hợp nhiều chức năng bảo vệ như quá dòng, quá áp, mất pha, quá nhiệt.
Ứng dụng thực tế trong công nghiệp
Băng tải là hệ thống dùng để vận chuyển hàng hóa, vật liệu từ vị trí này sang vị trí khác trong nhà máy.
Hoạt động nhờ motor + cơ cấu truyền động + dây băng.
Băng tải trục vít (Screw Conveyor) là loại băng tải sử dụng trục vít xoắn quay để đẩy vật liệu di chuyển trong máng kín.
Biến tần băng tải được ứng dụng rộng rãi trong:
- Dây chuyền sản xuất thực phẩm
- Hệ thống đóng gói bao bì
- Ngành xi măng, than, đá
- Kho vận và logistics
- Nhà máy sản xuất tự động
Đặc biệt, trong các hệ thống băng tải nối tầng (cascaded conveyor), biến tần giúp đồng bộ hóa quá trình vận chuyển, tránh ùn tắc vật liệu.
Cách chọn biến tần cho băng tải
Cách chọn biến tần theo tải
🎯 Bước 1: Nhìn loại băng tải
Tải nhẹ: Chạy nhẹ, không tải nhiều
👉 Ví dụ: băng tải linh kiện
👉 Chọn biến tần = 1.2 × motor
Tải trung bình: Có tải ổn định
👉 Chọn = 1.3 – 1.5 × motor
Tải nặng: Nặng, khởi động khó
👉 Chọn = 1.5 – 2 × motor
⚡ Bước 2: Nhớ 1 công thức duy nhất
👉 Không cần nhớ nhiều, chỉ cần hiểu:
P=3⋅U⋅I⋅cosφP = \sqrt{3} \cdot U \cdot I \cdot cos\varphiP=3⋅U⋅I⋅cosφ
👉 Hiểu đơn giản:
- Motor mạnh → dòng lớn
- cosφ thấp → dòng càng lớn
➡ Vì vậy:
Luôn chọn biến tần theo DÒNG (A), không chỉ nhìn kW
🔢 Ví dụ dễ hiểu (thực tế)
-
Motor: 5.5 kW
-
Điện 380V
-
Băng tải: tải nặng
👉 Làm nhanh như sau:
Bước 1: Nhìn bảng motor
👉 Motor 5.5 kW ≈ 10–11A
Bước 2: Vì là tải nặng
👉 Nhân lên:
-
10A × 1.5 = 15A
-
10A × 2 = 20A
👉 Chọn biến tần:
-
7.5 kW → dùng được
-
11 kW → chạy khỏe, bền (khuyên dùng)
Lưu ý cực quan trọng khi chọn biến tần băng tải
❌ Sai 1: Chọn đúng kW motor
👉 5.5 kW → chọn 5.5 kW
➡ Sai hoàn toàn nếu tải nặng
❌ Sai 2: Không tính lúc khởi động
-
Băng tải thường:
👉 khởi động khi đang có tải
➡ cần chọn dư
❌ Sai 3: Không dùng vector
-
Tải nặng mà dùng V/F
➡ yếu, dễ lỗi
👉 Chuẩn:
-
Tải nhẹ → V/F
-
Tải nặng → Vector
👉 Chỉ cần nhớ 3 dòng:
-
Nhẹ → ×1.2
-
Trung bình → ×1.5
-
Nặng → ×2
👉 Và:
Luôn chọn dư, đừng chọn sát
1. Thông số động cơ
Việc lựa chọn biến tần cần dựa trên các thông số:
- Công suất (kW/HP)
- Điện áp (220V / 380V)
- Dòng điện định mức (FLA)
- Số pha
Nguyên tắc quan trọng:
- Điện áp biến tần phải phù hợp với động cơ
- Dòng biến tần ≥ dòng định mức của motor
- Ưu tiên chọn theo dòng điện thay vì chỉ theo công suất
2. Đặc tính tải băng tải
Băng tải thuộc nhóm tải mô-men không đổi (Constant Torque), do đó cần chọn biến tần có khả năng:
- Tải nặng liên tục
- Moment khởi động cao
- Chịu quá tải tốt
3. Phương pháp điều khiển
- V/F (Scalar Control): phù hợp hệ thống đơn giản
- Vector Control: phù hợp tải nặng, yêu cầu ổn định cao
- Closed-loop: dùng khi cần độ chính xác cao (encoder)
4. Điều kiện môi trường
- Môi trường bụi → cần IP54 trở lên
- Nhiệt độ cao → cần tản nhiệt tốt
- Độ ẩm cao → cần chống ẩm
5. Khả năng tích hợp hệ thống
Biến tần hiện đại cần hỗ trợ:
- Giao tiếp Modbus, RS485
- Kết nối PLC, SCADA
- Giám sát từ xa qua IoT
Gợi ý biến tần Delixi phù hợp cho băng tải
Biến tần băng tải nhỏ - Delixi Em60

Công suất: 0.75~22kW
Điện áp: 220V / 380V
Delixi CDI-EM60: Phù hợp cho băng tải hàng, băng tải sản xuất vừa và nhỏ. Dễ cài đặt, hoạt động ổn định, đáp ứng tốt các ứng dụng phổ thông.
Delixi CDI-E102: Lựa chọn kinh tế cho hệ thống đơn giản, không yêu cầu cao về điều khiển.
Biến tần băng tải nặng - Delixi H300/ H500

Công suất: 0.4~630kW
Điện áp: 220V / 380V
Chuyên dùng cho tải nặng như băng tải đá, xi măng. Moment khởi động lớn, chịu tải tốt, hoạt động bền bỉ trong môi trường khắc nghiệt.
Nhìn chung, các dòng biến tần Delixi đáp ứng tốt nhu cầu điều khiển băng tải từ cơ bản đến nâng cao, đặc biệt phù hợp với doanh nghiệp sản xuất tại Việt Nam.
Những dự án thực tế lắp đặt biến tần Delixi điều khiển băng tải chứng minh biến tần Delixi là sự lựa chọn tối ưu nhất cho băng tải:
Lắp đặt biến tần điều khiển hệ thống băng tải, máy rung sàng lọc cát tại Quảng Ninh. Hệ thống hoạt động ổn định và tiết kiệm điện tối ưu khi dùng biến tần Delixi
Ứng dụng biến tần Delixi 123kW cho băng tải than tại Quảng Ninh: Đáp ứng yêu cầu vận chuyển than liên tục, môi trường bụi bẩn khắc nghiệt, tiết kiệm điện và bảo vệ động cơ tối đa cho hệ thồng.
Thiết kế thi công tủ biến tần Delixi điều khiển băng tải: Sử dụng biến tần Delixi và những thiết bị điện cần thiết khác: Aptomat, dây điện, cầu đấu, tủ điện... đấu nối và cài đặt thông số điều khiển băng tải.
Biến tần điều khiển băng tải hàng tại Hải Phòng: Khảo sát và lắp đặt biến tần Delixi Em60 cho băng tải hàng vận chuyển sản phẩm tại nhà máy nhựa - Hải Phòng
Hệ thống băng tải thông minh với biến tần
Khi kết hợp biến tần với cảm biến:
- Băng tải tự động chạy khi có tải
- Tự dừng khi không có vật liệu
- Phát hiện lỗi nhanh chóng
- Giám sát vận hành từ xa
Giải pháp này giúp tối ưu hóa sản xuất và giảm chi phí nhân công.
Những lỗi sai khi lựa chọn và sử dụng Biến tần cho băng tải
- Chọn biến tần chỉ theo công suất
- Không kiểm tra dòng điện (FLA)
- Bỏ qua yếu tố môi trường
- Lắp đặt không đúng kỹ thuật
- Không bảo trì định kỳ
Những sai lầm này có thể dẫn đến hỏng hóc và gián đoạn sản xuất.
Checklist chọn biến tần cho băng tải
Trước khi chọn biến tần, hãy kiểm tra nhanh 5 yếu tố sau:
✔️ 1. Công suất motor
- Xem trên tem motor (kW hoặc HP)
- Ví dụ: 5.5kW, 7.5kW
👉 Lưu ý:
Không chọn biến tần = đúng công suất
→ luôn phải chọn lớn hơn
✔️ 2. Loại tải băng tải
- Tải nhẹ → chọn ×1.2
- Tải trung bình → ×1.3–1.5
- Tải nặng → ×1.5–2
👉 Đây là yếu tố QUAN TRỌNG nhất
3. Chiều dài băng tải
- Băng tải càng dài → lực kéo càng lớn
👉 Quy tắc nhanh:
-
20m → cộng thêm 10–20% công suất
4. Có tải ngay khi khởi động không?
- Nếu có tải sẵn (full tải)
👉 phải chọn biến tần lớn hơn - Nếu chạy không tải rồi mới cấp liệu
👉 có thể chọn sát hơn
5. Có cần dừng nhanh không?
- Nếu cần dừng gấp (an toàn, định vị)
👉 phải dùng thêm:
- điện trở xả (braking resistor)
👉 Chỉ cần nhớ:
- Chọn theo tải + dòng điện, không chỉ kW
- Luôn chọn dư công suất
- Tải nặng → dùng vector control
❓ FAQ – Câu hỏi thường gặp về biến tần băng tải
Biến tần băng tải có tiết kiệm điện không?
👉 CÓ
- Giảm dòng khởi động (5–7 lần)
- Không chạy max tốc độ liên tục
- Giảm hao mòn cơ khí
👉 Thực tế:
- Tiết kiệm khoảng 15–30% điện năng
Khi nào cần điện trở xả?
👉 Cần khi:
- Băng tải dừng nhanh
- Tải quán tính lớn
- Có hiện tượng báo lỗi OV (quá áp)
👉 Nếu không lắp:
- dễ lỗi
- dừng không chính xác
Nên dùng V/F hay Vector?
👉 Rất dễ nhớ:
- V/F:
- tải nhẹ
- chi phí thấp
- Vector:
- tải nặng
- cần moment lớn
- chạy ổn định hơn
👉 Khuyến nghị:
Băng tải công nghiệp → nên dùng Vector
Có cần chọn biến tần lớn hơn motor không?
👉 BẮT BUỘC
- Tải nhẹ → +20%
- Tải nặng → +50–100%
👉 Nếu chọn sát:
- dễ quá tải
- nhanh hỏng
Biến tần có giúp băng tải chạy êm hơn không?
👉 Có:
- giảm giật khi khởi động
- tăng tuổi thọ cơ khí
- vận hành ổn định hơn
Trong xu hướng tự động hóa và tối ưu năng lượng, biến tần cho băng tải là giải pháp quan trọng giúp doanh nghiệp nâng cao hiệu quả sản xuất và giảm chi phí vận hành.
Việc lựa chọn đúng biến tần không chỉ đảm bảo hệ thống hoạt động ổn định mà còn mang lại lợi ích lâu dài về kinh tế và kỹ thuật.
Biến tần không chỉ ứng dụng cho băng tải mà còn được sử dụng rộng rãi trong các hệ thống bơm, quạt và cẩu trục. Mỗi ứng dụng có đặc thù tải khác nhau nên cần lựa chọn biến tần phù hợp để đảm bảo hiệu suất và độ bền. Bạn có thể tham khảo thêm các giải pháp biến tần cho bơm, cẩu trục cũng như dịch vụ sửa chữa biến tần để hiểu rõ hơn và lựa chọn đúng thiết bị cho hệ thống của mình.
