-
-
-
Tổng tiền thanh toán:
-
SU800 MANUAL
Ngày 18/03/2024
Bình luận (2)
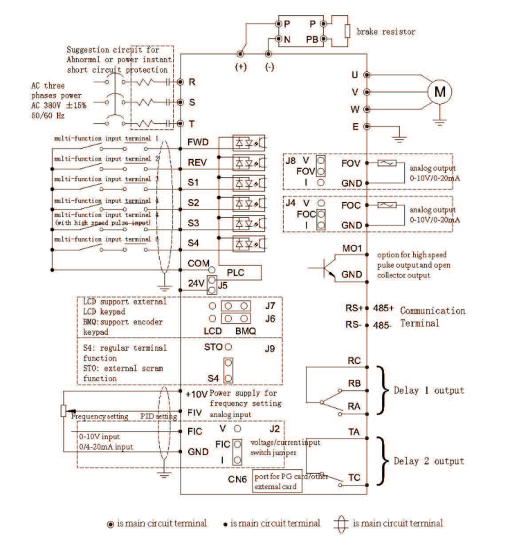
HƯỚNG DẪN CÀI ĐẶT BIẾN TẦN SU800
Tài liệu hướng dẫn cài đặt biến tần SUMO SU800. Tài liệu được cung cấp bới Công Ty TNHH Tự Động Hóa Nihaco

[ Download ] Tài liệu hướng dẫn cài đặt biến tần SUMO SU800
Bình luận (2)
milsode
07/10/2022Cells in 6 well plates were exposed to 14 C C6 ceramide 5 Ојg ml medium in the absence and presence of tamoxifen 5 ОјM for 24 hr lasix pill Subsequently, we hypothesised that an active nucleocytoplasmic transport mechanism contributes to modulation of the subcellular localisation of proteins related to BC development and progression
DedyKerge
09/04/2022cialis achat securise https://bestadalafil.com/ - Cialis Shzhav Cialis Hormpx https://bestadalafil.com/ - buy cialis Iwrvca