-
-
-
Tổng tiền thanh toán:
-
Lắp đặt trạm quan trắc nước thải tự động
Ngày 19/03/2024
Bình luận (0)
Chủ đầu tư: CÔNG TY CỔ PHẦN XÂY DƯNG VÀ CN MÔI TRƯỜNG VIỆT NAM
Yêu cầu chủ đầu tư:
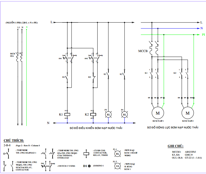
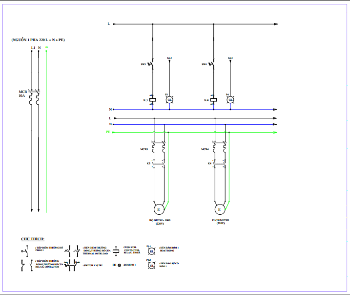
Nguyên lý tủ điện điều khiển gồm có.
1/ 1 CB tổng và 4 CB phụ để cấp nguồn cho 4 thiết bị sử dụng điện như: Gicon 1000, Low, Lamp, Dataloger
2/ 2 khởi động từ để điều khiển và bảo vệ 2 bơm hoạt động luân phiên nhau, và 1 Timer đôi điều chỉnh thời gian.
3/ và 1 UPS tích điện 1000VA, dự phòng khi mất điện.
Chú ý:
2 bơm nạp nước thải hoạt động luân phiên nhau, cách nhau 2 giờ để bảo vệ bơm. Bộ dataloger chỉ sử dụng 24V nên khi lắp đặt sẽ có bộ chuyển nguồn từ 220V sang 24V. Tủ điện hoạt động ở 2 chế độ Manvà Auto, tùy người sử dụng
Giải pháp của Nihaco Automation: Sau khi tiếp nhận được yêu cầu từ chủ đầu tư. Nihaco tiến hành đứa ra giải pháp, thiết kế theo yêu cầu của khách hàng.
Triển khai: Đội ngũ kỹ thuật Nihaco tiến hành lặp đặt và bàn giao cho khách hàng trong vòng 5 ngày.
Một số hình ảnh:




